|
CRYSTAL CHECKER
I am sure we all have a heap of old
crystals in a box in our shack, some from suspect origins some from various
projects we never got around to building and some just found their own way in
there. Maybe they were once odd socks that became crystals. Anyhow, to get back
on topic, I guess what is most needed is a way to check if these things still
resonate, if they are good or bad… The answer is quite simple and inexpensive…

Let’s build a crystal checker. One that has an output for a frequency counter,
with plug-in sockets for various sizes and that covers a wide frequency range.
As we all know, it would be near impossible to cover all frequencies in one
device, but we could cover most if we remember that even on VHF and UHF the
crystals are cut using fundamentals and overtones. Without getting too technical
for this project all we need to know is that the crystal under test still
resonates and is able to drive the input to our frequency meter.
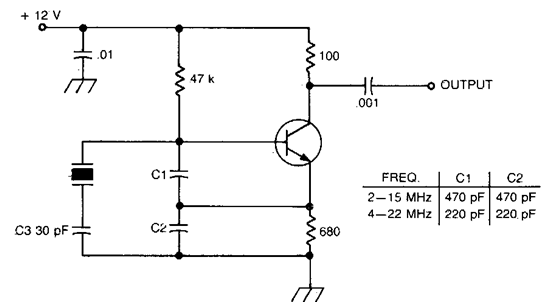
The
design used here is a simple Colpitts Oscillator which in theory uses a gain
device such as a FET or Bipolar Junction Transistor with its output connected to
its intput in a feedback loop with a parallel tuned circuit which functions as a
bandpass filter to set the frequency of oscillation. |
|

Using the values for the 4-22MHz option in the diagram above I have found pretty
accurate readings to within the specified ratings for most crystals under test.
My test oscillator actually runs up to just over 30MHz and is used quite often
as a reference oscillator and not just to test crystals. An important fact to
remember here is that in effect, what you are about to build is in essence a
micro transmitter so care should be taken to ensure that all leads are kept
short and that you do not connect it to an antenna as it will transmit on the
frequency of oscillation albeit a few milliwatts.
The design can be built on a piece of perfboard, but using veroboard is not
suggested as the capacitive coupling of the tracks may affect the frequency and
stability of the oscillator.
Operation
is simple, plug in the crystal to be checked, connect to the frequency meter and
apply power to the crystal checker… If the crystal is good, it will oscillate
and you will get a reading to within a few hertz of the crystal specification.
Changing C3 for a small trimmer cap would allow for the frequency to be adjusted
to the exact desired frequency; however this is not required for our purposes
here.
|
|
For a printable version of this project please click on the
link
here
|
|